Добро пожаловать, Гость. Пожалуйста, войдите или зарегистрируйтесь.
Вам не пришло письмо с кодом активации?
Гродненский Форум
29 Декабрь 2025, 04:03:10
Новости, реклама:
   Главная   Новости Гродно Помощь Игры Календарь Войти Регистрация   Меню
Гродненский Форум > Аудио-Видео-Бытовая техника > Радиолюбительство
(Модераторы: Fox, Burn_13, azarius) > Тема:

нуждаюсь в прошивке PIC 12F629

Страниц  :   Вниз
  Печать  
Автор Тема: нуждаюсь в прошивке PIC 12F629  (Прочитано 1276 раз)
0 Пользователей и 1 Гость смотрят эту тему.
medic
кампуцерны дохтар
Кандидат в депутаты
****

Репутация: +127/-2
Offline Offline

Пол: Мужской
Сообщений: 3422


За Беларусь!

Просмотр профиля
« : 04 Сентябрь 2010, 09:38:17 »

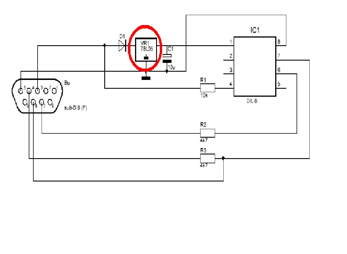
собсна сабж, кто имеет возможность пишите в ЛС или сюда

нашел вот подойдет на одын раз???
« Последнее редактирование: 04 Сентябрь 2010, 10:09:37 от medic » Записан

Уронили Siemens на пол сименс цел, пол поцарапан
EL_Paul
Почетный гродненец
*****

Репутация: +154/-3
Offline Offline

Пол: Мужской
Сообщений: 1453


Everything it`s possible! Just do it!

S Просмотр профиля WWW
« Ответ #1 : 04 Сентябрь 2010, 14:26:35 »

есть программатор. звоните.
Записан

Ремонт бытовой техники, телевизоров, планшетов, ноутбуков, игровых консолей, гироскутеров, электро велосипедов.
Ремонт штатных головных устройств и прочей автомобильной электроники.
Скупка неисправной электроники на запчасти.
А1/Telegram:+3752958O967Ч 
Aleh-sh
Гродненец
**

Репутация: +0/-0
Offline Offline

Сообщений: 74

Просмотр профиля
« Ответ #2 : 23 Сентябрь 2010, 22:43:32 »

Могу прошить
Записан
Страниц  :   Вверх
  Печать  
 
Перейти в:  

Войти
Войдите, чтобы добавить комментарий

Войдите через социальную сеть

Имя пользователя:
Пароль:
Продолжительность сессии (в минутах):
Запомнить:
Забыли пароль?

Контакт
Powered by MySQL Powered by PHP Мобильная версия
Powered by SMF 1.1.20
SMF © 2006-2025, Simple Machines
Simple Audio Video Embedder
| Sitemap
Valid XHTML 1.0! Valid CSS!
Страница сгенерирована за 0,086 секунд. Запросов: 20.